3-point / 4-point Bend Fixtures for ASTM C393, C1161, D790
G1095, G1096, G1097
3-point / 4-point Bend Fixtures for ASTM C393, C1161, D790
G1095, G1096, G1097
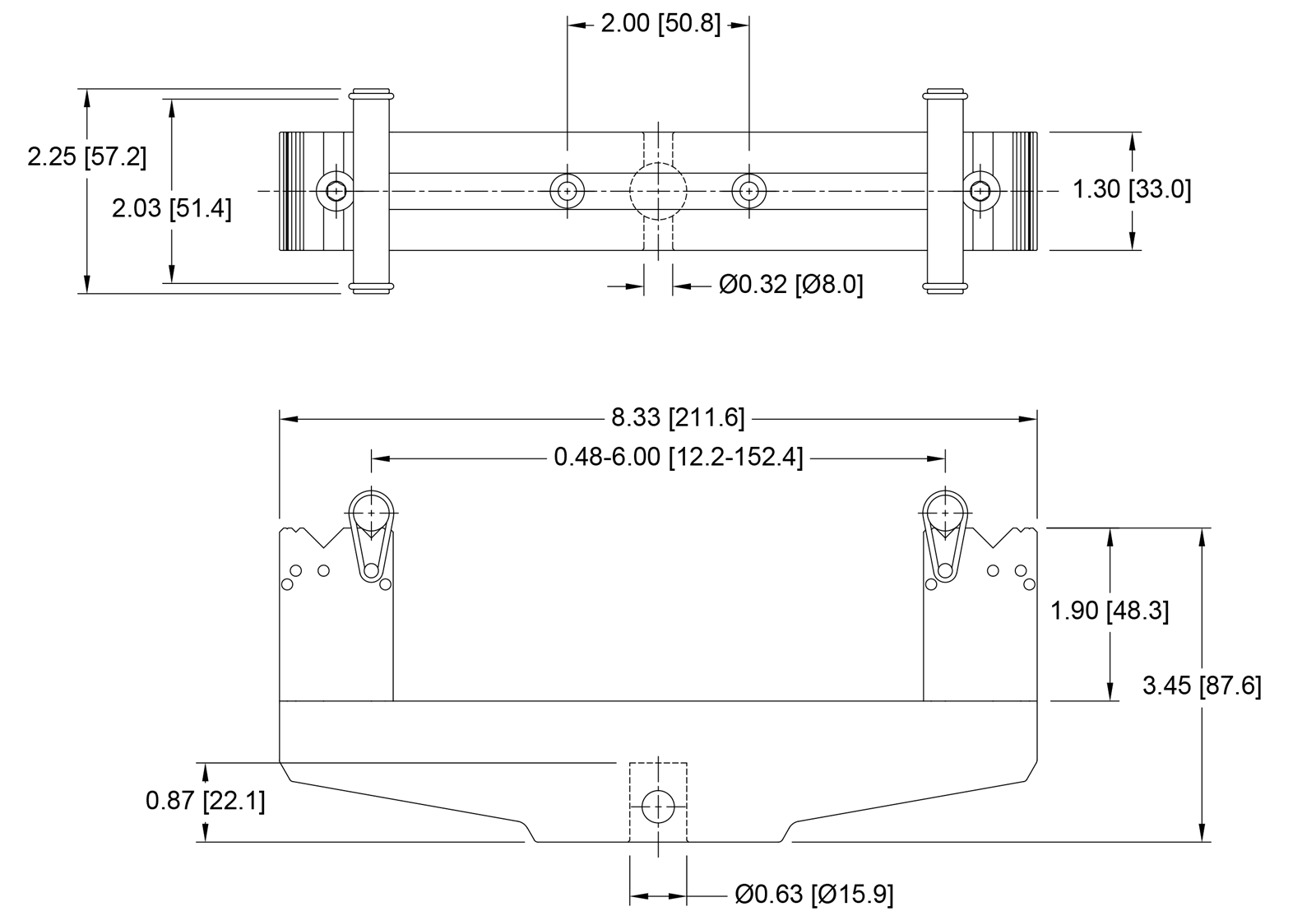
Bases feature movable blocks with multiple V-grooves to accept several support diameters. 10 mm dia. supports are included, and other sizes are available.
The bases feature engraved rulers, dual-graduated with an inch scale on one side and mm scale on the other. Includes integrated eye end mounting, and requires an eye end adapter to mount to Mark-10 force gauges or force sensors, and test stands.
The bases also include thru-holes and mounting screws for direct mounting to certain test stands.
Features
- Designed for 3-point and 4-point bend testing
- Accommodate a broad sample size range
- Rugged design
- Dual graduated rulers - in and mm
- Recommended for use with a motorized test stand.
- May be used with eye end adapters or mounted to test stands with mounting screws (except anvil - eye end mounting only).
Specifications
| Model | Capacity lbF [kN] |
Weight* lb [kg] |
Shipping Weight lb [kg] |
Housing material | Block material | Support material | Includes |
|---|---|---|---|---|---|---|---|
| G1095 | 500 [2.5] |
3.0 [1.3] |
4.0 [1.8] |
2024 Al | 303 SS | 416 SS, hardened | Screws for test stand mounting, two 10 mm dia. supports and o-rings |
| G1096 | 2,000 [10] |
7.1 [3.2] |
9.0 [4.1] |
2024 Al | 303 SS | 416 SS, hardened | Screws for test stand mounting, two 10 mm dia. supports and o-rings |
| G1097 | 2,000 [10] |
0.5 [0.2] |
1 [0.5] |
303 SS | - | 416 SS, hardened | 10 mm. dia. support and o-rings |
* including two blocks and 10 mm dia. supports
- HS code:
9024800000 - ECCN:
EAR99 - Country of origin:
USA
Optional Equipment
![]() |
Support kits |
|
Eye end adapters Allow for quick grip installation and removal, and prevent grip rotation. Mount to common test frames, load cells, and force gauges. |








