Model TSF / TSFH
High Capacity Manual Test Stand
Model TSF / TSFH
High Capacity Manual Test Stand
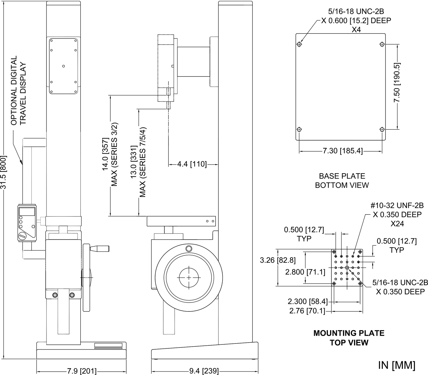
The TSF Force Measurement Test Stand is ideal for spring testing, destructive testing, product integrity testing, and other applications requiring up to 1,000 lbF (5 kN) of push or pull force.
The stand features a large side mounted hand wheel requiring minimal user effort and a rigid 3” x 3” column. A removable steel loading surface with threaded holes for fixture and grip mounting adds flexibility for many testing applications, and a solid metal base contains a storage pocket and holes for bench mounting. Available in vertical and horizontal orientations.
Features
- Compatible with all Mark-10 force gauges, accessories and grips
- Loading table with 25 #10-32 UNF holes for fixture mounting
- Smooth hand wheel operation
Specifications
- Maximum force:
1,000 lbF [5 kN] - Maximum travel:
4.00" [102 mm] - Travel rate:
0.013" [0.34 mm]/wheel rev - Weight:
TSF: 36 lb [16.3 kg]
TSFH: 30 lb [13.6 kg] - Shipping weight:
TSF: 43 lb [19.5 kg]
TSFH: 39 lb [17.7 kg] - HS code:
TSF, TSFH: 9024900000
TSF001, TSF002, SP-2735-12,-24,-42: 9024800000 - ECCN
EAR99 - Country of origin:
USA
In The Box
The TSF and TSFH test stands are shipped as shown at left, and include the following accessories:
(1) G1009 compression plate, 2” dia.(1) G1009-1 compression plate, 3” dia.
(1) G1028 small hook
(1) G1030 thread adapter, 5/16-18M to #10-32F
(1) G1035 large hook
(1) G1037 coupling, 5/16-18 F/F
(1) G1038 medium hook
(1) G1039 coupling, #10-32 F/F
(1) G1041 thread adapter, 5/16-18M to #1/2-20M
(1) G1042 extra large hook
(1) G1044 1/2-20F adapter plate with mounting hardware
(1) 5/16-18 stud with jam nuts
(1) #10-32 stud with jam nuts
(1) Base (TSF)
(2) Mounting leg with hardware (TSFH)
(1) Additional column cap with hardware (TSFH)
(4) Thumb screw for force gauges with 0.12 - 500 lbF capacities
(4) Thumb screw for force gauges with 1,000 - 2,000 lbF capacities
(1) Allen wrench set
Optional Equipment
|
A wide range of force gauges and gripping fixtures | |
|
Digital travel display 6" [150 mm] travel, 0.0005" [0.01 mm] resolution, SPC output for automated data collection. To output data to a PC via USB, use communication adapter part no. MU100 and AC1105 cable. Notes:
|
|
|
Horizontal / wall mounting kit Set of mounting legs that attach to the test stand column in place of the base. |
|
|
Column extension Select from several extension lengths. Extensions increase clearance between the force gauge and mounting plate. See Ordering Information table. Note: Column extensions do not increase travel distance. |
||
|
Eye end adapters Allow for quick grip installation and removal, and prevent grip rotation. Mount to common test frames, load cells, and force gauges. |
|





