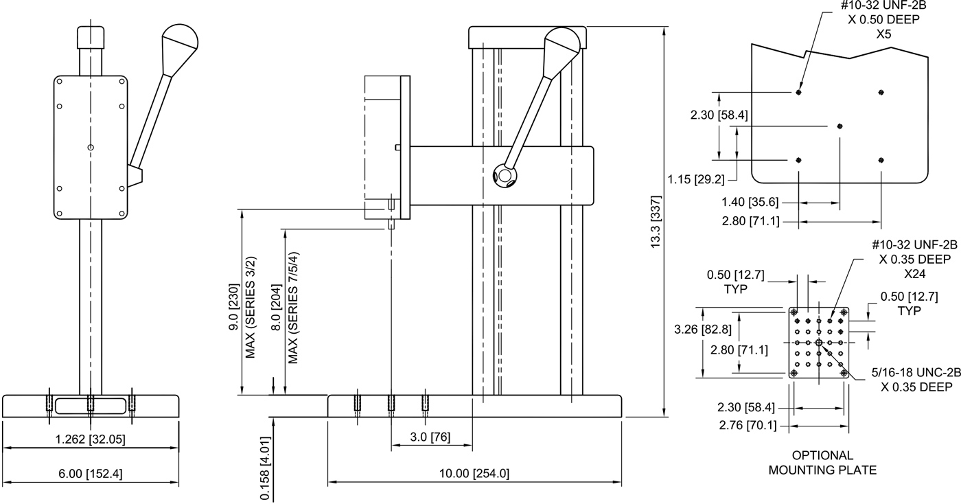
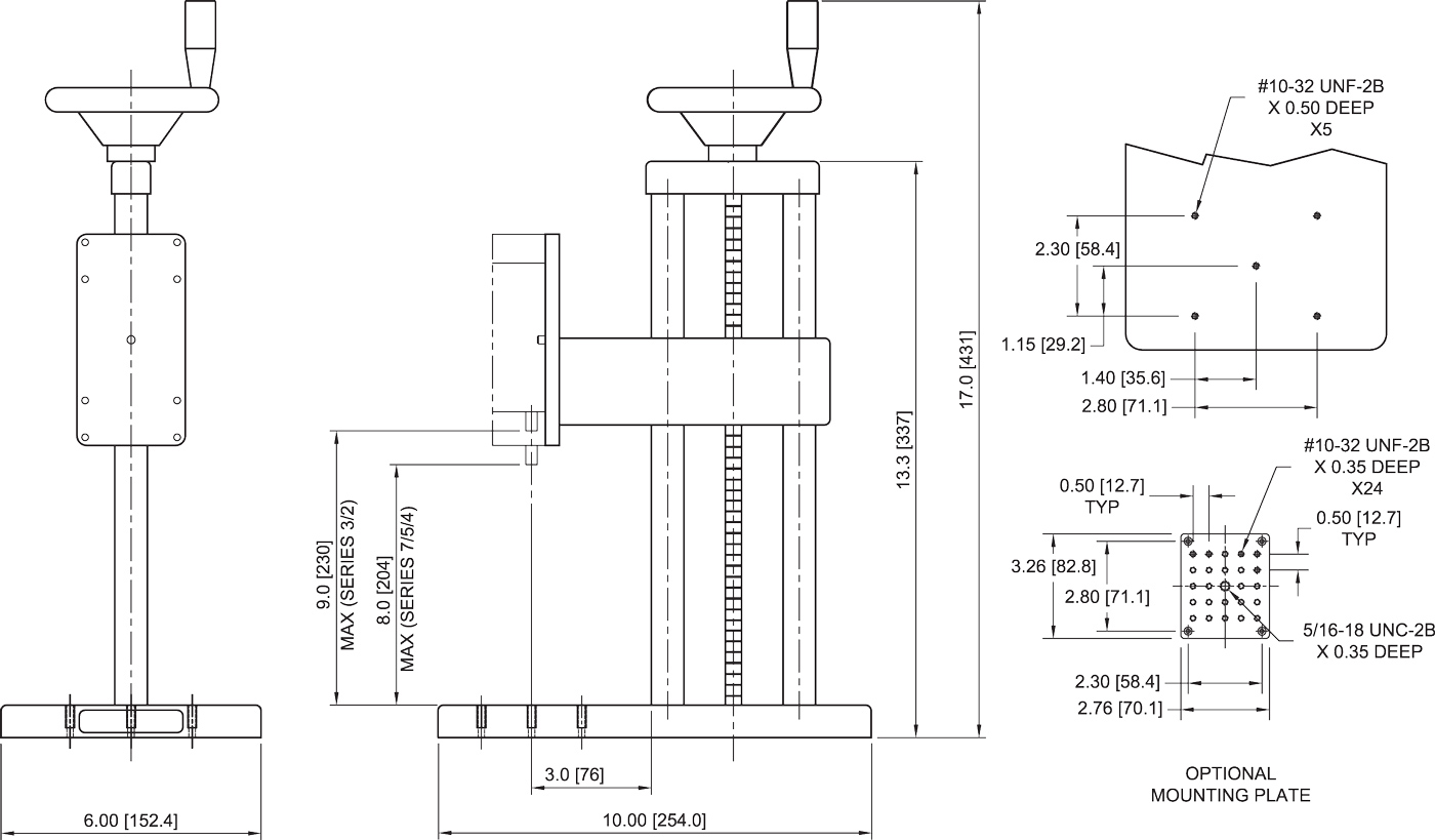
Models ES10 & ES20
Manual Test Stands
The ES10 and ES20 manual test stands are compact and economical solutions
for compression and tensile testing of small samples. Choose between a
lever (ES10) for quick-action testing or a hand wheel (ES20) for more
precise testing with greater consistency in testing results.
Optional dial and digital indicator kits display up to 1" (25 mm) of displacement.
Use these stands with force gauges and
grips to create complete
and economical testing systems.
Features
- Small size
- Compatible with all Mark-10 force gauges, accessories and grips
- Mounting holes for bench mounting
- Large base plate with 5 #10-32 UNF holes for fixture mounting
- Competitor force gauge mounting kits available
Specifications
| ES10 | ES20 | |
|---|---|---|
| Maximum Force |
100 lbF [500 N] |
|
| Maximum Travel | 9" [229 mm] | |
| Loading Method | Lever (can be placed in 3 positions for ease of operation) | Top-mounted hand wheel |
| Travel Rate | 1.050" [26.7 mm] / lever rev. | 0.083" [2.1 mm] / wheel rev. |
| Weight | 10 lb [4.5 kg] | |
| Shipping weight | 12 lb [5.4 kg] | |
| Model No. | HS Code | ECCN | Country of Origin |
| ES10 ES20 |
9024900000 | EAR99 | USA |
| ES001 ES002 ES001NI ES001NI-8MM AC1060 |
9024800000 |
In The Box (ES10)
ES10
(1) Allen wrench set(1) Lever
(4) Thumb screw for force gauge
In The Box (ES20)
ES20
(1) Allen wrench set(1) Hand wheel
(4) Thumb screw for force gauge
Optional Equipment
![]() |
A wide range of force gauges and gripping fixtures |
![]() |
Base plate Includes a matrix of #10-32 threaded holes and 5/16-18 center hole, and 5/16-18M to #10-32F adapter. |
![]() |
Dial indicator kit* Displays up to 1" of displacement with resolution of 0.001" |
![]() |
Digital indicator kit* Displays up to 1" / 25 mm of displacement with resolution of 0.0005" / 0.01 mm. Includes zero button and in/mm selector button. |
![]() |
Indicator mounting kit For customer-supplied indicators with 8 mm or 9.5 mm dia. stem sizes (indicator not included). |
|
Eye end adapters Allow for quick grip installation and removal, and prevent grip rotation. Mount to common test frames, load cells, and force gauges. |
![]() |
Competitor force gauge mounting kits |
*Because load cell deflection and system deflection are present and not automatically compensated for, this equipment is recommended for applications requiring at least 0.2 in [5 mm] of travel distance.














