Model TST / TSTH
Manual Torque Test Stand
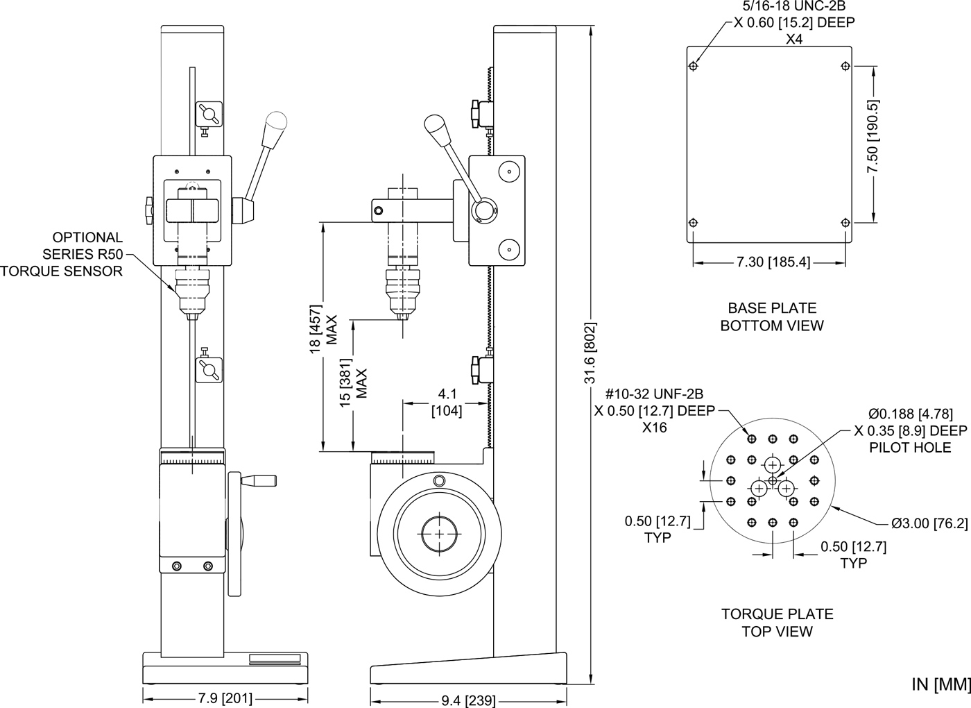
Features
- Smooth hand wheel operation
- Torque plate with tapped holes for grip and fixture mounting
- Lever operated slider for engaging and disengaging samples
- Angle dial with 2° resolution
Specifications
- Maximum torque:
100 lbFin (11.3 Nm) - Maximum angular travel:
no limit - Throat depth:
4.10" (104 mm) - Angular rate:
12° / wheel rev. - Maximum slider travel:
15.5" (394 mm) - Slider travel rate:
1.047" (26.6 mm)/lever rev - Weight:
TST: 33 lb [15 kg]
TSTH: 27 lb [12.2 kg] - Shipping weight:
TST: 42 lb [19.1 kg]
TSTH: 36 lb [16.3 kg] - HS code:
TST, TSTH: 9024900000
TST001, TST001E, TSF002, SP-2736-12,-24,-42: 9024800000 - ECCN
EAR99 - Country of origin:
USA
In The Box
Optional Equipment
|
Series R50 universal torque sensors Mount directly to the test stand. 6 capacities are available, from 10 ozFin to 100 lbFin [7 to 1,150 Ncm]. |
|
Torque indicators Display the torque value measured by the R50 torque sensor. Basic and advanced models are available. More basic Series TT03 integrated torque gauges can also be used. |
![]() |
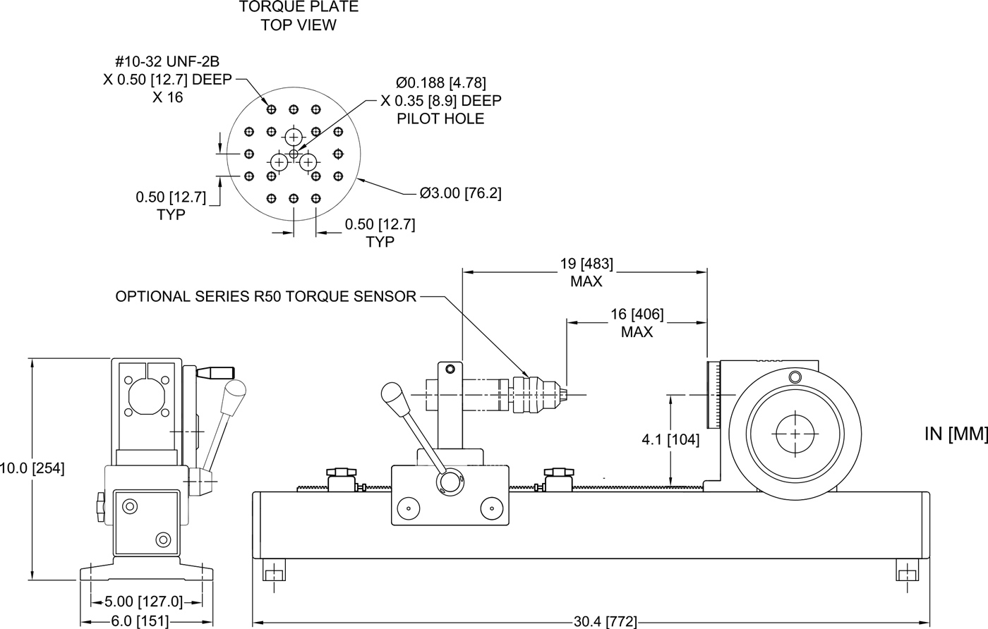
Horizontal / wall mounting kit (TSF002) Pair of mounting legs for adapting the test stand to a bench, instead of the base. |
|
Axial compensator (AC1029) Allows for axial movement in threaded fasteners, bottle caps, and similar torque testing applications. |
![]() |
Column extension Select from several extension lengths. Extensions increase clearance between the torque sensor and torque mounting plate. See Ordering Information table. |








